HN-9045F - 電磁無源蜂鳴器
1. 測試條件
產品測試條件:溫度:5~35℃,濕度:45%~85%R.H.,氣壓:860 ~1060hPa。
標準測試條件:溫度:25±3℃,濕度:60±10%R.H. 氣壓:860 ~1060hPa
1 | 額定電壓(Vo-p) | 3 Vo-p |
2 | 工作電壓(Vo-p) | 2-4 Vo-p |
3 | 額定電流(mA) | Max.80mA ,at 2700Hz 50% duty Square Wave 3Vo-p |
4 | 輸出音壓(dB) | Min. 85dB,at 2700Hz 50% duty Square Wave 3Vo-p |
5 | 電阻(Ω) | 16±3Ω |
6 | 諧振頻率(Hz) | 2700Hz |
7 | 工作溫度(℃) | -20℃~+70℃ |
8 | 儲存溫度(℃) | -30℃~+80℃ |
9 | 凈重(g) | Approx 1.4g |
10 | 環保 | Yes |
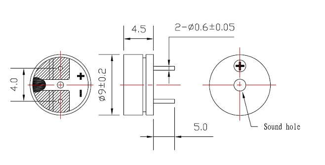
2. 尺寸圖
單位: mm
*基本公差: 除特殊注明外,一般公差為±0.5mm
*外殼材料:Black Noryl

3. 電性能及聲音測試條件
測試電路

諧振頻率是占空比為50% 的方波,信號電壓要足夠讓晶體管飽和工作。
測試裝置

4. 頻響曲線

5. 可靠性測試
在下面任何一項測試后都要符合以下標準,外觀和電性能(除聲壓外)上不能有不良或衰減現象出現,聲壓不能低于規格說明書的最低聲壓的10dB。
壽命測試
將測試件置于25±10℃的溫度下,輸入額定電壓、占空比為1/2的諧振頻率方波測試96小時。
高溫測試
將測試件置于+80℃的溫度下存放96小時,取出置于常溫下3小時而后測試。
低溫測試
將測試件置于-40℃的溫度下存放96小時,取出置于常溫下3小時而后測試。
濕度測試
將測試件置于溫度+40±3℃,濕度90%~95%的條件下持續48小時,再置于室溫下6小時而后測試。
溫度沖擊測試
將測試件置于以下溫變條件下:70℃2小時→-20℃2小時(1周期),做完一個周期實驗,過1個小時后再繼續下一次實驗,總測試周期數: 10個周期。
落地測試
將測試件標準包裝后(包裝盒的3個邊6個面)從1.2米的高度下跌落到厚木板或5厘米厚的硬木板上。
機械振動測試
按以下條件實驗后再測試:振速:1000次/分;振幅:1.5毫米;時間: 1小時更換一個自由度方向共3個自由度方向。
注意:
需避免無關材料進入產品內,無關材料如:磁性材料、水溶性的材料、腐蝕性的氣體等。因為這些無關材料將會影響產品的電性能。




